桂林市邁特光學儀器有限公司
Guilin Microtech Optical Instrument Co., Ltd. (MTO)
中文丨ENGLISH
產品搜索
請選擇產品類別
請選擇具體產品
MTS系列包括MTS100,MTS300兩大類
◎ MTS100包含MTS112,MTS113,MTS124三個型號
● 獨特的光學設計,具有超長工作距離和大景深
● 超廣角高眼點目鏡
● 水平手輪變倍,操作更方便
● 廣泛應用于礦物標本研究、精密零件裝配、工業生產線及微小物體檢測。
◎ MTS300包含MTS312,MTS313,MTS324三個型號
● 垂直旋轉變倍,定位精確,齊焦性能極佳
● 特別適合工業生產線長期使用
變倍方式
MTS100系列水平手輪變倍 MTS300系列垂直旋轉變倍
目鏡
SWH10X高眼點超廣角目鏡,視場Φ23mm
鏡筒
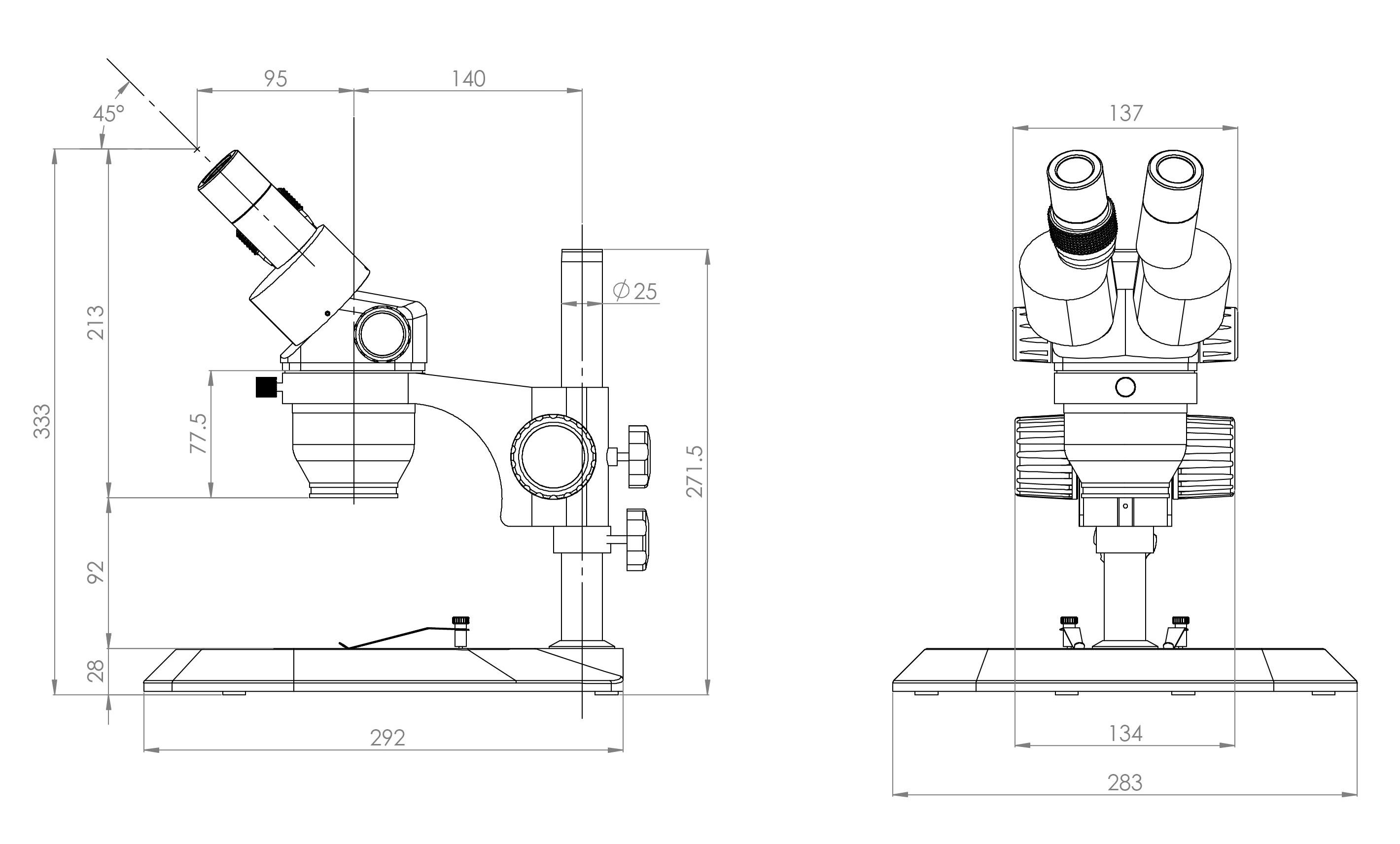
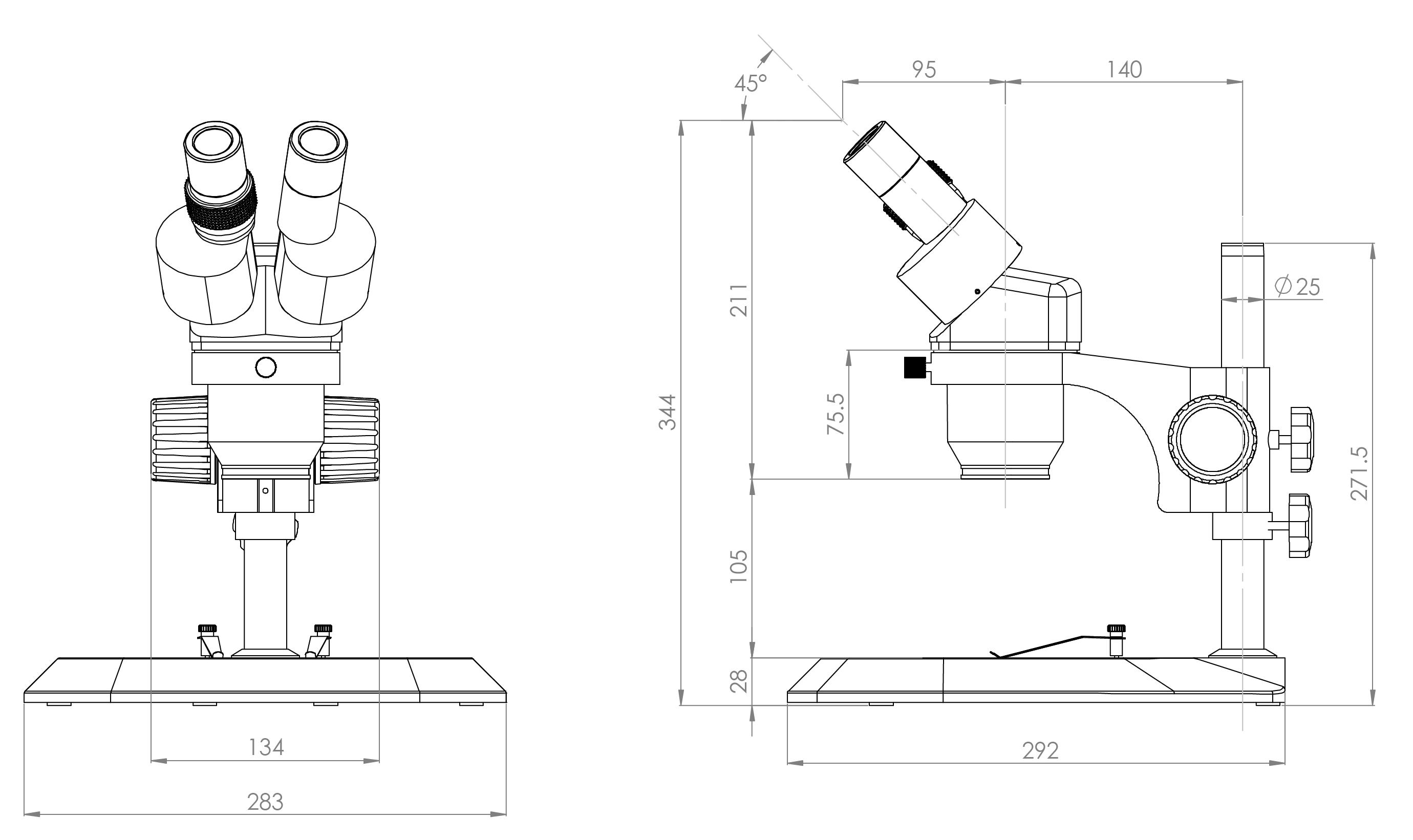
傾斜45°
工作距離
105mm
調焦范圍
50mm(方立柱時為100mm)
瞳距調節范圍(用10X 目鏡)
52mm~76mm
視度調節范圍
±6屈光度
支架與主機配合尺寸
Φ76mm
立柱中心到支架中心尺寸
140mm
圓立柱尺寸
Φ25mm
中心工作臺直徑
Φ95mm
光源
可配熒光燈透射照明(5W),鹵鎢燈反射照明(6V、10W可調)
型號
物鏡
不同目鏡參數
SWH10X
SWF15X
SWF20X
SWF30X
總放大倍數
視場直徑 (mm)
MTS112 MTS312
1X
10X
Φ23
15X
Φ17
20X
Φ14
30X
Φ9
2X
Φ11.5
Φ8.5
40X
Φ7
60X
Φ4.5
MTS113 MTS313
3X
Φ7.67
45X
Φ5.67
Φ4.67
90X
Φ3
MTS124 MTS324
4X
Φ5.75
Φ4.25
80X
Φ3.5
120X
Φ2.25
底座組 SD1~SD18 萬能支架 U1, U2, U3, U4, U1c, U2c, U3c 目鏡 SWH10X, SWF15X, SWF20X, SWF30X 分劃目鏡 SWH10X-CM0.1XY SWF15X-CM0.05XY SWF20X-CM0.05XY 輔助光源 ML01, ML02, MLR60, LGY-150Ω 機械載物臺 S7665, S10086 注:載物臺如需安裝在我司底座上時,請提前說明,底座需特殊訂做——增加螺釘孔。
底座組
SD1~SD18
萬能支架
U1, U2, U3, U4, U1c, U2c, U3c
SWH10X, SWF15X, SWF20X, SWF30X
分劃目鏡
SWH10X-CM0.1XY SWF15X-CM0.05XY SWF20X-CM0.05XY
輔助光源
ML01, ML02, MLR60, LGY-150Ω
機械載物臺
S7665, S10086 注:載物臺如需安裝在我司底座上時,請提前說明,底座需特殊訂做——增加螺釘孔。
公司簡介
企業文化
榮譽認證
總裁致辭
新產品
單筒
多功能連續變倍視頻顯微一體機
體視
MTV機器視覺系列
附件匯總
其它產品
定制鏡頭
體視顯微鏡
單筒視頻顯微系統
微電子精密成像
自動化設備
工業相機、智能機器人
生物、醫療
教育、科研
環保、材料、公安刑偵
新聞信息
招賢納士
下載資料
0773-5823609/5812510/2673200
http://m.jinqiaoapartmenthotel.cn
桂林市高新區信息產業園D-3號
[手機官方網站]
[邁特官方微信]
聯系我們丨在線地圖